网站首页  词典首页


请输入您要查询的字词:

 

字词 CYL60—1型链斗式采盐船
类别 中英文字词句释义及详细解析
释义

CYL60—1型链斗式采盐船


(一)CYL60-1型链斗式采盐船的结构及总体布置

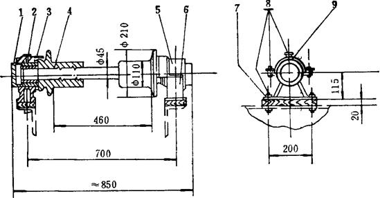
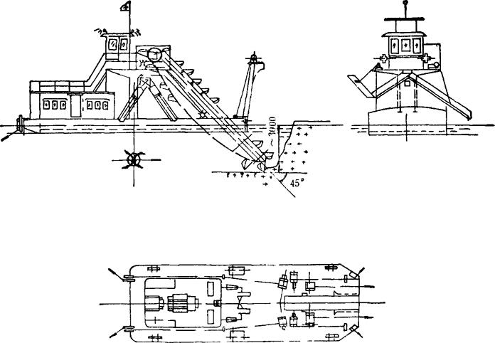
如图4-4-7是一种非自航、内供电、液压传动的钢质工程船,由船体、轮机,采盐机械舾装、液压系统五部分组成。

图4-4-7 60m3/h液压链斗式采盐船

1.船体 为横肋骨架结构,机仓设在2#~12#肋骨之间,尾部和左右舷设有水密、油密压载舱,供船工作时盛油、水和调整纵倾之用。为了加强机舱部分的强度,其周围甲板均用厚板,并设有舱口竖板。全船纵向设置了纵桁和纵龙骨,横向设置了强横梁。横隔壁板设有扶强材,各处肘部设有加强肘板。纵横强度均可保证,稳定性好。

2.轮机 主发电机组和其他液压泵、油泵、水泵均设在机舱内。主动力为SC120BC型柴油发电机组,布置于机舱中部2#~9#肋之间。左舷4#~6#肋设有各搅车动力油泵和YB80/40双联叶片泵。右舷2#~6#肋之间,设有链斗传动装置的动力油泵——IZ×B732型轴向柱塞泵。右舷9#肋设有CS32型手摇油泵,左舷9#肋设有Ⅲ型手摇舱底泵。在12#~20#肋前舱之间设有2BA-6型冷却水泵和12m2液压冷却器一台。为了在船泊停机时照明方便,设有12V6-Q-108蓄电池两组。

3.采盐机械 采盐机械由链斗驱动装置、下导轮、导链滚筒、斗桥、盐斗、斗桥起落系统和吊架7部分组成。

链斗驱动装置如图4-4-8。由液压马达、大小齿轮、传动轴和四星轮组成。为了确保采盐时有足够的斗口切盐力,左右舷各设-台液压马达,同步运行。

图4-4-8 链斗驱动装置

1-螺母、螺栓、垫圈 2-底座 3-弹簧、垫圈、螺栓 4-径向柱塞式油马达 5-十字滑块连轴器 6-双列向心球面滚子轴承 7-螺栓、挡圈 8-挡圈 9-斗桥轴 10-键 11-头桥 12-轴承座 13-Φ180四螺栓斜滑动轴承 14-螺母 15-螺栓

下导轮是链斗工作时的随动支承轮,如图4-4-9。其几何形状为五方,又称五星轮。这种结构使链斗过渡平稳,又不致因打滑磨坏链斗。为了调节链条松紧,内设偏心瓦。两端设铸钢轴承座,轴承用干油润滑,两边用盘根压紧,防止粉盐,泥砂进入。

图4-4-9 下导轮装置

1,2-螺母、双头螺栓 3-轴承盖 4-定位销 5-卡环 6-五星轮 7-螺母、螺栓 8-压盖 9-五星轮轴 10-轴套 11-填料 12-轴承座 13-压柱式油栓

导链滚筒是盐斗运行时的支承和轨道,装置在斗桥上端,滚筒由耐磨材料制成,经久耐用,如图4-4-10。

图4-4-10 导链滚筒装置图

1-衬套 2-钢套 3-密封圈 4-滚筒及轴 5-轴承盖 6-轴承体 7-垫木 8-螺栓、螺母 9-油标

盐斗,(如图4-4-11)是链斗式采盐船的主要受力构件,兼有切削、容纳石盐两种功能,为鸭蛋形,阻力小、易切削。前端设有3只斗齿,作为松碎盐层之用。盐斗用钢板焊接而成,用铆钉与斗链联成一体,既保证了强度,又不至过重。斗链为非标准套筒滚子链,斗销和销套用高锰钢制成,经久耐用,便于更换。

图4-4-11 盐斗结构图 1-盐斗 2-斗销 3-衬套 4-外链板 5-销子垫圈

斗桥起落系统如图4-4-12,由动滑轮组、定滑轮组和拉杆等组成。用钢索将钢结构首吊架与斗桥联起来,升降方便。

图4-4-12 斗桥起落装置 1-首吊架 2-滑轮组 3-斗桥

4.舾装全船舾装由总操纵台、液压绞车、导缆桩、机舱棚,工作间及防水照明设备组成。

总操纵室设在上层甲板上,内设电器、液压综合控制台,四壁和顶部均为保温结构,夏季可打开前后活动窗,冬季有电热板取暖,居高临下,视野开阔,操作方便。

机舱棚高出甲板1.5m,并设天窗12扇,侧窗6扇,采光通风良好。船甲板上设有隔音隔热操作间,便于机舱工作人员使用。尾部导缆钳将后横移绞车钢索导入水下,便于驳船通行。

5.液压传动系统 全船液压传动分设两个系统:一是以电动变量柱塞泵为动力,直接供给链斗驱动装置的两台液压马达;一是以电动双联叶片泵为动力,经操纵台供给6台液压绞车。各系统均可自动调节超压泄荷,实现恒扭矩无级变速。两个系统分开,可以确保切盐装置的正常运行。

两油泵均在0流量起动,保证主机安全运行。

(二)CYL60-1型链斗式采盐船技术性能见表4-4-2。

表4-4-2 CYL60-1型链斗式采盐船技术性能表

注:目前国内全液压100m3/h链斗式采盐船,已在内蒙古吉兰太盐场投入使用。该船尾部设定位桩滑车,出料部分配备了粉碎机,通过电缆浮筒供电。

(三)盐斗

1.斗容计算 链斗式采盐船的盐斗斗容(V),不仅取决于链斗式采盐船的生产量(Qs),还取决于斗链速度,而斗链最好能进行无级变速,包括作为装拆斗时使用的特低速度。习惯上,常用“每分钟倒斗数nb”代表斗链速度。

当盐斗充填系数为100%,则可建立如下平衡式:

盐斗充填程度随着采掘深度而改变。一般以斗桥与铅垂线的夹角为45°时的充填程度为100%;当夹角大于或小于此值时,充填系数K在0.635~0.8之间变动,则斗容为:

倒斗数nb一般为16~22斗/min

斗链的平均速度为:

式中 t——斗链节距(m)

Z——上导轮边数

nh——上导轮每分钟转数

若以倒盐斗数来计算,则连续斗的nb=Z·nh,此时Uch=nb;而非连续斗的nb=nh,此时,Uch=t·nb

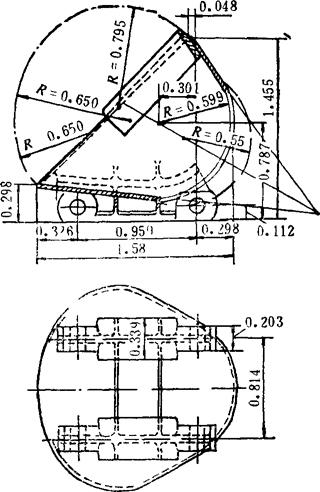
2.盐斗几何参数的确定 盐斗(见图4-4-13),结构为:盐斗链板(盐斗脚)(1)装在盐斗背板(2)上;呈锥形的外围板(3)末端和斗底(4)相接;为了防止由于切削盐层而引起的磨损,在外围板上钉有刃口(5);盐斗链板通过斗销孔(7)与连接链板(中间链极)(6)相接,盐斗链板和连接链板的销孔中心距都是斗链节距(t)的一半。

图4-4-13 盐斗简图

盐斗的主要参数是:

a——盐斗高度,即从斗背线至锥形体的最高点的距离

b——盐斗宽度

Z——盐斗深度,即盐斗在斗链方向上的投影长度

Z1——斗口至斗底的投影长度

Z2——斗口至斗背端部的投影长度

γ——盐斗斗背线和切刃口的倾斜角

δ1——切削角

δ2——锥形角

图4-4-14a示出了盐斗切削盐层时的情况。长方形的体积为盐斗的最大挖盐量,即a×b×Z。α是斗桥和水平面的夹角,α角可达50°,一般取45°。γ角由下式求出:

图4-4-14a 盐斗切盐示意图

将图中所示系数乘以即得各部分尺度(dm),V为不计斗刃高度的斗容(L)。例如斗容为750L时,=9.09。斗销孔中心间距:0.88=8dm=800mm;泥斗销接壳板厚度0.0138=0.125dm=12.5mm。

切削角δ1取40°~50°,否则倒盐困难。

锥形角δ2和斗链速度有关。过小也和δ1一样,会发生斗背(斗侧)擦盐的情况。其计算式为:

式中 Vsw——盐斗横移速度

Vch——斗链速度

比值Vsw/Vch随采掘盐层的不同而变化,计算时应取最大值。δ2一般为15°~20°。小盐斗的δ2值要比大盐斗的取得大一点。

盐斗的主要尺寸与斗容(V)有关,如下式:

V=·a·b·Z(m3) (4-4-6)

式中 ——盐斗形状系数

盐斗各尺度可按下式求取:

式中 Kb——比例系数,

Kz——比例系数,

将以上两式化简,得下式:

式中 Ka--系数,一般在1.05~1.2之间。

若确定Kb和Kz系数后,则可按式(4-4-7)算出b和Z。

尺度Z1和Z2可按下式求:

式中 Kzz——比例系数,

斗链节距t和b、Z值有关,即

当确定Ktb或者KtZ值后,节距可按下式求出:

t=Ktb·b,b=KtZ·Z (4-4-11)

表4-4-3、表4-4-4列出国内外部分挖泥船斗链主要参数,可供设计盐斗时参考。

表4-4-3 国产部分挖泥船泥斗参数表

表4-4-4 国外部分挖泥船泥斗参数表

当一些几何尺寸比例不易确定时,还可用“比例法”来确定盐斗各主要参数,如图4-4-14b、4-4-15、4-4-16所示。图上列出的尺寸都是比例数值,乘以(V为斗容,L),即可得出所求的各参数。或选定一个母型船,由的数值乘以母型船的盐斗主尺度,所得数值即为新设计船的盐斗主尺度。式中Q′s为新船生产量,Qs为母型船生产量。

图4-4-14b 板制盐斗

图4-4-15 铸钢盐斗

图4-4-16 铸钢焊接盐斗

斗容;700L 1-铸钢斗背 2-斗底(钢板) 3-斗裙(钢板) 4-硬质斗刃(钢板) 5-锰钢堆焊 6-双板中间环节在方案设计时,为初步选定盐斗各主要参数,用“比例法”特别方便。

随便看

 

离鸟网收录3541549条中英文词条,其功能与新华字典、现代汉语词典、牛津高阶英汉词典等各类中英文词典类似,基本涵盖了全部常用中英文字词句的读音、释义及用法,是语言学习和写作的有利工具。

 

Copyright © 2004-2024 vtrois.com All Rights Reserved
更新时间:2026/4/7 5:41:00