1.设备特点
除尘装置分轻灰、重灰两个系统,根据灰尘粒度,性质不同而分别采用不同的除尘方式。
轻灰系统:采用一级水膜除尘。
重灰系统:采用沉降、旋风、水膜三级除尘。
装置结构要求牢靠、坚固耐用,除尘效率高,使用简单。
2.主要技术特征
表6-2-20 草类备料除尘装置技术特征

3.主要设备
(1)轻灰系统
C4-73-11 NO5.5排风机1台。立式气旋离心式水膜除尘器1台。2B-31水泵1台
(2)重灰系统
C1-73-11 NO-5.5C排风机1台。重力沉降筒一只。立式气旋式水膜除尘器1台。2B454
31水泵1台。

图6-2-27 草类备料除尘装置

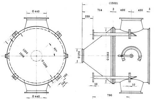
图6-2-28 重力沉降筒结构示意图
水膜除尘器和重力沉降室处理能力为3万m3/h带尘空气。
水膜除尘器的环形水管:Φ38mm;
支管:Φ127mm;
喷嘴孔径:1.5mm;
喷水量不小于0.08m3/h。
重力沉降室喷水量约3m3/h。